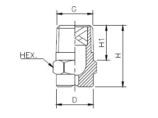
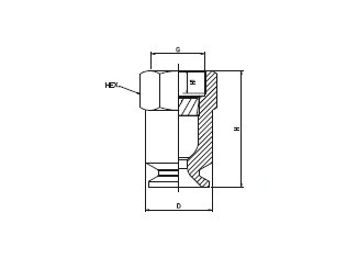
Описание
Форсунки серии DD создают конусообразный факел распыла с квадратной зоной распыления для покрытия прямоугольных участков или зон орошения. Именно такие широкоугольные (60⁰, 90⁰, 120⁰) полноконусные форсунки обеспечивают равномерное квадратное распыление с размером капель от среднего до крупного и отлично подходят для струйного распыления, требующего покрытия большой площади. Конечно, строго «квадратным» такое распыление назвать нельзя и добиться его довольно сложно. На корпусе отверстия расположен крестообразные пазы, которые призваны ограничивать/срезать формирование круглого пятна потока распыла при выходе из сопла. Получаемое пятно распыления точно не будет идеально круглым, скорее прямоугольным.
В этой серии распылителей есть 2 основных дизайна корпуса, все они имеют иксобразный завихритель разных типоразмеров. Сопла серии DD активно используются для очистки дымовых газов, для промывки щебня и сельскохозяйственной продукции, в процессах пеногашения и пылеподавления.
Скачать каталог
Технические характеристики
| 60° Угол распыления | Резьба | Отверстие, мм | Расход л/мин при разных давлениях, бар | |||||||||||||
|---|---|---|---|---|---|---|---|---|---|---|---|---|---|---|---|---|
| Артикул | 1/8" | 1/4" | 3/8" | 1/2" | 3/4" | 1" | 0.5 | 1.0 | 2.0 | 3.0 | 5.0 | 7.0 | 10.0 | |||
| DD14.100 | • | 1.2 | 0.50 | 0.71 | 1.00 | 1.22 | 1.58 | 1.87 | 2.24 | |||||||
| DD14.150 | • | 1.5 | 0.75 | 1.06 | 1.50 | 1.84 | 2.37 | 2.81 | 3.35 | |||||||
| DD14.175 | • | 1.6 | 0.87 | 1.24 | 1.75 | 2.14 | 2.77 | 3.27 | 3.91 | |||||||
| DD14.200 | • | 1.7 | 1.00 | 1.41 | 2.00 | 2.45 | 3.16 | 3.74 | 4.47 | |||||||
| DD14.250 | • | 1.9 | 1.25 | 1.77 | 2.50 | 3.06 | 3.95 | 4.68 | 5.59 | |||||||
| DD14.300 | • | 2.0 | 1.50 | 2.12 | 3.00 | 3.67 | 4.74 | 5.61 | 6.71 | |||||||
| DD14.350 | • | • | 2.2 | 1.75 | 2.47 | 3.50 | 4.29 | 5.53 | 6.55 | 7.83 | ||||||
| DD14.400 | • | • | 2.4 | 2.00 | 2.83 | 4.00 | 4.90 | 6.32 | 7.48 | 8.94 | ||||||
| DD14.475 | • | • | 2.6 | 2.37 | 3.36 | 4.75 | 5.82 | 7.51 | 8.89 | 10.62 | ||||||
| DD14.650 | • | • | 3.1 | 3.25 | 4.60 | 6.50 | 7.96 | 10.28 | 12.16 | 14.53 | ||||||
| DD14.800 | • | 3.4 | 4.00 | 5.66 | 8.00 | 9.80 | 12.65 | 14.97 | 17.89 | |||||||
| DD24.100 | • | 3.8 | 5.00 | 7.07 | 10.00 | 12.25 | 15.81 | 18.71 | 22.36 | |||||||
| DD24.125 | • | 4.2 | 6.25 | 8.84 | 12.50 | 15.31 | 19.76 | 23.39 | 27.95 | |||||||
| DD24.160 | • | 4.8 | 8.00 | 11.31 | 16.00 | 19.60 | 25.30 | 29.93 | 35.78 | |||||||
| DD24.180 | • | 5.2 | 9.00 | 12.73 | 18.00 | 22.05 | 28.46 | 33.67 | 40.25 | |||||||
| DD24.200 | • | 5.4 | 10.00 | 14.14 | 20.00 | 24.49 | 31.62 | 37.42 | 44.72 | |||||||
| DD24.225 | • | 5.7 | 11.25 | 15.91 | 22.50 | 27.56 | 35.58 | 42.09 | 50.31 | |||||||
| DD24.250 | • | 6.0 | 12.50 | 17.68 | 25.00 | 30.62 | 39.53 | 46.77 | 55.90 | |||||||
| DD24.320 | • | 6.8 | 16.00 | 22.63 | 32.00 | 39.19 | 50.60 | 59.87 | 71.55 | |||||||
| DD24.400 | • | 7.3 | 20.00 | 28.28 | 40.00 | 48.99 | 63.25 | 74.83 | 89.44 | |||||||
| DD24.520 | • | 8.3 | 26.00 | 36.77 | 52.00 | 63.69 | 82.22 | 97.28 | 116.28 | |||||||
| 90° Угол распыления | Резьба | Отверстие, мм | Расход л/мин при разных давлениях, бар | ||||||||||||||||
|---|---|---|---|---|---|---|---|---|---|---|---|---|---|---|---|---|---|---|---|
| Артикул | 1/8" | 1/4" | 3/8" | 1/2" | 3/4" | 1/2" | 1-1/4" | 1-1/2" | 2" | 0.5 | 1.0 | 2.0 | 3.0 | 5.0 | 7.0 | 10.0 | |||
| DD16.100 | • | 1.2 | 0.50 | 0.71 | 1.00 | 1.22 | 1.58 | 1.87 | 2.24 | ||||||||||
| DD16.150 | • | 1.4 | 0.75 | 1.06 | 1.50 | 1.84 | 2.37 | 2.81 | 3.35 | ||||||||||
| DD16.175 | • | 1.5 | 0.87 | 1.24 | 1.75 | 2.14 | 2.77 | 3.27 | 3.91 | ||||||||||
| DD16.200 | • | 1.6 | 1.00 | 1.41 | 2.00 | 2.45 | 3.16 | 3.74 | 4.47 | ||||||||||
| DD16.250 | • | 1.8 | 1.25 | 1.77 | 2.50 | 3.06 | 3.95 | 4.68 | 5.59 | ||||||||||
| DD16.300 | • | 2.0 | 1.50 | 2.12 | 3.00 | 3.67 | 4.74 | 5.61 | 6.71 | ||||||||||
| DD16.350 | • | • | • | 2.2 | 1.75 | 2.47 | 3.50 | 4.29 | 5.53 | 6.55 | 7.83 | ||||||||
| DD16.400 | • | • | • | 2.3 | 2.00 | 2.83 | 4.00 | 4.90 | 6.32 | 7.48 | 8.94 | ||||||||
| DD16.475 | • | • | 2.5 | 2.37 | 3.36 | 4.75 | 5.82 | 7.51 | 8.89 | 10.62 | |||||||||
| DD16.650 | • | • | 2.9 | 3.25 | 4.60 | 6.50 | 7.96 | 10.28 | 12.16 | 14.53 | |||||||||
| DD16.800 | • | • | 3.3 | 4.00 | 5.66 | 8.00 | 9.80 | 12.65 | 14.97 | 17.89 | |||||||||
| DD26.100 | • | 3.6 | 5.00 | 7.07 | 10.00 | 12.25 | 15.81 | 18.71 | 22.36 | ||||||||||
| DD26.125 | • | 4.1 | 6.25 | 8.84 | 12.50 | 15.31 | 19.76 | 23.39 | 27.95 | ||||||||||
| DD26.160 | • | • | 4.6 | 8.00 | 11.31 | 16.00 | 19.60 | 25.30 | 29.93 | 35.78 | |||||||||
| DD26.180 | • | 5.9 | 9.00 | 12.73 | 18.00 | 22.05 | 28.46 | 33.67 | 40.25 | ||||||||||
| DD26.200 | • | 5.2 | 10.00 | 14.14 | 20.00 | 24.49 | 31.62 | 37.42 | 44.72 | ||||||||||
| DD26.225 | • | 5.5 | 11.25 | 15.91 | 22.50 | 27.56 | 35.58 | 42.09 | 50.31 | ||||||||||
| DD26.250 | • | • | 5.8 | 12.50 | 17.68 | 25.00 | 30.62 | 39.53 | 46.77 | 55.90 | |||||||||
| DD26.320 | • | • | 6.5 | 16.00 | 22.63 | 32.00 | 39.19 | 50.60 | 59.87 | 71.55 | |||||||||
| DD26.400 | • | 7.3 | 20.00 | 28.28 | 40.00 | 48.99 | 63.25 | 74.83 | 89.44 | ||||||||||
| DD26.520 | • | • | 8.3 | 26.00 | 36.77 | 52.00 | 63.69 | 82.22 | 97.28 | 116.28 | |||||||||
| DD26.650 | • | • | 9.3 | 32.50 | 45.96 | 65.00 | 79.61 | 102.77 | 121.60 | 145.34 | |||||||||
| DD26.720 | • | 9.8 | 36.00 | 50.91 | 72.00 | 88.18 | 113.80 | 134.70 | 161.00 | ||||||||||
| DD26.800 | • | 10.7 | 40.00 | 56.57 | 80.00 | 97.98 | 126.49 | 149.67 | 178.89 | ||||||||||
| DD36.100 | • | 12.0 | 50.00 | 70.71 | 100.00 | 122.47 | 158.11 | 187.08 | 223.61 | ||||||||||
| DD36.118 | • | 13.0 | 59.00 | 83.44 | 118.00 | 144.52 | 186.57 | 220.76 | 263.86 | ||||||||||
| DD36.130 | • | 13.7 | 65.00 | 91.92 | 130.00 | 159.22 | 205.55 | 243.21 | 290.69 | ||||||||||
| DD36.160 | • | 15.2 | 80.00 | 113.14 | 160.00 | 195.96 | 252.98 | 299.33 | 357.77 | ||||||||||
| DD36.200 | • | 17.0 | 100.00 | 141.42 | 200.00 | 244.95 | 316.23 | 374.17 | 447.21 | ||||||||||
| DD36.227 | • | 18.1 | 113.50 | 160.51 | 227.00 | 278.02 | 358.92 | 424.68 | 507.59 | ||||||||||
| DD36.250 | • | 19.0 | 125.00 | 176.78 | 250.00 | 306.19 | 395.19 | 467.71 | 559.02 | ||||||||||
| DD36.300 | • | 20.5 | 150.00 | 212.13 | 300.00 | 367.42 | 474.34 | 561.25 | 670.82 | ||||||||||
| DD36.337 | • | 22.0 | 168.50 | 238.29 | 337.00 | 412.74 | 532.84 | 630.47 | 753.55 | ||||||||||
| 120° Угол распыления | Резьба | Отверстие, мм | Расход л/мин при разных давлениях, бар | ||||||||||||||||
|---|---|---|---|---|---|---|---|---|---|---|---|---|---|---|---|---|---|---|---|
| Артикул | 1/8" | 1/4" | 3/8" | 1/2" | 3/4" | 1/2" | 1-1/4" | 1-1/2" | 2" | 0.5 | 1.0 | 2.0 | 3.0 | 5.0 | 7.0 | 10.0 | |||
| DD18.100 | • | 1.2 | 0.50 | 0.71 | 1.00 | 1.22 | 1.58 | 1.87 | 2.24 | ||||||||||
| DD18.150 | • | 1.5 | 0.75 | 1.06 | 1.50 | 1.84 | 2.37 | 2.81 | 3.35 | ||||||||||
| DD18.175 | • | 1.6 | 0.87 | 1.24 | 1.75 | 2.14 | 2.77 | 3.27 | 3.91 | ||||||||||
| DD18.200 | • | 1.7 | 1.00 | 1.41 | 2.00 | 2.45 | 3.16 | 3.74 | 4.47 | ||||||||||
| DD18.250 | • | 1.9 | 1.25 | 1.77 | 2.50 | 3.06 | 3.95 | 4.68 | 5.59 | ||||||||||
| DD18.300 | • | 2.0 | 1.50 | 2.12 | 3.00 | 3.67 | 4.74 | 5.61 | 6.71 | ||||||||||
| DD18.350 | • | • | • | 2.3 | 1.75 | 2.47 | 3.50 | 4.29 | 5.53 | 6.55 | 7.83 | ||||||||
| DD18.400 | • | • | • | 2.5 | 2.00 | 2.83 | 4.00 | 4.90 | 6.32 | 7.48 | 8.94 | ||||||||
| DD18.475 | • | • | • | 2.7 | 2.37 | 3.36 | 4.75 | 5.82 | 7.51 | 8.89 | 10.62 | ||||||||
| DD18.650 | • | • | 3.1 | 3.25 | 4.60 | 6.50 | 7.96 | 10.28 | 12.16 | 14.53 | |||||||||
| DD18.800 | • | • | 3.5 | 4.00 | 5.66 | 8.00 | 9.80 | 12.65 | 14.97 | 17.89 | |||||||||
| DD28.100 | • | 3.9 | 5.00 | 7.07 | 10.00 | 12.25 | 15.81 | 18.71 | 22.36 | ||||||||||
| DD28.125 | • | 4.3 | 6.25 | 8.84 | 12.50 | 15.31 | 19.76 | 23.39 | 27.95 | ||||||||||
| DD28.160 | • | • | 4.9 | 8.00 | 11.31 | 16.00 | 19.60 | 25.30 | 29.93 | 35.78 | |||||||||
| DD28.180 | • | 5.2 | 9.00 | 12.73 | 18.00 | 22.05 | 28.46 | 33.67 | 40.25 | ||||||||||
| DD28.200 | • | 5.5 | 10.00 | 14.14 | 20.00 | 24.49 | 31.62 | 37.42 | 44.72 | ||||||||||
| DD28.225 | • | 5.8 | 11.25 | 15.91 | 22.50 | 27.56 | 35.58 | 42.09 | 50.31 | ||||||||||
| DD28.250 | • | • | 6.1 | 12.50 | 17.68 | 25.00 | 30.62 | 39.53 | 46.77 | 55.90 | |||||||||
| DD28.320 | • | • | 6.9 | 16.00 | 22.63 | 32.00 | 39.19 | 50.60 | 59.87 | 71.55 | |||||||||
| DD28.400 | • | 7.7 | 20.00 | 28.28 | 40.00 | 48.99 | 63.25 | 74.83 | 89.44 | ||||||||||
| DD28.520 | • | 8.8 | 26.00 | 36.77 | 52.00 | 63.69 | 82.22 | 97.28 | 116.28 | ||||||||||
| DD28.650 | • | 9.9 | 32.50 | 45.96 | 65.00 | 79.61 | 102.77 | 121.60 | 145.34 | ||||||||||
| DD28.720 | • | 10.4 | 36.00 | 50.91 | 72.00 | 88.18 | 113.80 | 134.70 | 161.00 | ||||||||||
| DD28.800 | • | 11.4 | 40.00 | 56.57 | 80.00 | 97.98 | 126.49 | 149.67 | 178.89 | ||||||||||
| DD38.100 | • | 12.7 | 50.00 | 70.71 | 100.00 | 122.47 | 158.11 | 187.08 | 223.61 | ||||||||||
| DD38.118 | • | • | 13.8 | 59.00 | 83.44 | 118.00 | 144.52 | 186.57 | 220.76 | 263.86 | |||||||||
| DD38.130 | • | • | 14.5 | 65.00 | 91.92 | 130.00 | 159.22 | 205.55 | 243.21 | 290.69 | |||||||||
| DD38.160 | • | 16.1 | 80.00 | 113.14 | 160.00 | 195.96 | 252.98 | 299.33 | 357.77 | ||||||||||
| DD38.200 | • | 18.0 | 100.00 | 141.42 | 200.00 | 244.95 | 316.23 | 374.17 | 447.21 | ||||||||||
| DD38.227 | • | 19.1 | 113.50 | 160.51 | 227.00 | 278.02 | 358.92 | 424.68 | 507.59 | ||||||||||
| DD38.250 | • | 20.1 | 125.00 | 176.78 | 250.00 | 306.19 | 395.19 | 467.71 | 559.02 | ||||||||||
| DD38.300 | • | 21.5 | 150.00 | 212.13 | 300.00 | 367.42 | 474.34 | 561.25 | 670.82 | ||||||||||
| DD38.337 | • | 23.3 | 168.50 | 238.29 | 337.00 | 412.74 | 532.84 | 630.47 | 753.55 | ||||||||||
Артикулы
АА0236С, РР524РР












