Описание
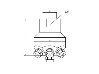
Кластерная струйная форсунка серии DH состоит из 7 небольших полноконусных сопел, вкрученных в корпус распылителя. Эти сопла взаимозаменяемы и обеспечивают плотное распыление с большой площадью покрытия. Регулируя производительность сопел, можно получить различные варианты распыления: мелкодисперсное или крупнокапельное.
Семь полноконусных форсунок установлены в очень компактном стальном адаптере. Средний диаметр капли распыла у серии DH примерно вдвое меньше, чем у других форсунок полного конуса с такой же производительностью. X-образные завихрители сопел обеспечивают достаточно большие диаметры проходных сечений, минимизируя засорение.
Благодаря компактности и большой производительности многосопловые форсунки серии DH применяются в процессах охлаждения газов, очистки, контроля влажности и пылеподавления.
Скачать каталог
Технические характеристики
| 130° Угол распыления | Резьба | Отверстие, мм | Расход л/мин при разных давлениях, бар | ||||||||||
|---|---|---|---|---|---|---|---|---|---|---|---|---|---|
| Артикул | 3/4" | 1" | 1-1/2" | 0.5 | 1.0 | 2.0 | 3.0 | 5.0 | 7.0 | 10.0 | |||
| DH29.125 | • | 2.5 | 6.25 | 8.84 | 12.50 | 15.31 | 19.76 | 23.39 | 27.95 | ||||
| DH29.160 | • | 2.8 | 8.00 | 11.31 | 16.00 | 19.60 | 25.30 | 29.93 | 35.78 | ||||
| DH29.200 | • | 3.2 | 10.00 | 14.14 | 20.00 | 24.49 | 31.62 | 37.42 | 44.72 | ||||
| DH29.225 | • | 3.4 | 11.25 | 15.91 | 22.50 | 27.56 | 35.58 | 42.09 | 50.31 | ||||
| DH29.250 | • | 3.5 | 12.50 | 17.68 | 25.00 | 30.62 | 39.53 | 46.77 | 55.90 | ||||
| DH29.320 | • | 4.0 | 16.00 | 22.63 | 32.00 | 39.19 | 50.60 | 59.87 | 71.55 | ||||
| DH29.400 | • | 4.5 | 20.00 | 28.28 | 40.00 | 48.99 | 63.25 | 74.83 | 89.44 | ||||
| DH29.520 | • | 5.1 | 26.00 | 36.77 | 52.00 | 63.69 | 82.22 | 97.28 | 116.28 | ||||
| DH29.650 | • | 5.7 | 32.50 | 45.96 | 65.00 | 79.61 | 102.77 | 121.60 | 145.34 | ||||
| DH29.800 | • | 6.3 | 40.00 | 56.57 | 80.00 | 97.98 | 126.49 | 149.67 | 178.89 | ||||
| DH39.100 | • | 7.1 | 50.00 | 70.71 | 100.0 | 122.47 | 158.11 | 187.08 | 223.61 | ||||
| DH39.118 | • | 7.7 | 59.00 | 83.44 | 118.0 | 144.52 | 186.57 | 220.76 | 263.86 | ||||
| DH39.130 | • | • | 8.1 | 65.00 | 91.92 | 130.0 | 159.22 | 205.55 | 243.21 | 290.69 | |||
| DH39.160 | • | 8.9 | 80.00 | 113.14 | 160.0 | 195.96 | 252.98 | 299.33 | 357.77 | ||||
| DH39.200 | • | 10.0 | 100.0 | 141.42 | 200.0 | 244.95 | 316.23 | 374.17 | 447.21 | ||||
| DH39.227 | • | 10.7 | 113.5 | 160.51 | 227.0 | 278.02 | 358.92 | 424.68 | 507.59 | ||||
Артикулы
АА0236С, РР524РР










